| |
|
| |
|
| Solution for
a Better Weight |
|
| |
|
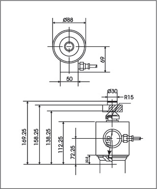
| Loadcell |
|
M
- 60 Series
Stainless Steel
Compression Load Cell |
| |
|
| |
Dimension: |
|
|
|
| |
|
| |
|
| |
Load
Cell Specification: |
| |
|
| |
| |
Model |
|
M16 |
|
|
|
|
| |
Capacity |
|
301 |
|
|
|
|
| |
Sensitivity
MV/V |
|
2 ±
0.01 |
|
|
|
|
| |
Zero
Balance |
|
< 2% of
Full Scale |
|
|
|
|
| |
Creep
(1 hour) |
|
< 0.03%
of Full Scale |
|
|
|
|
| |
Non-linearity |
|
< 0.03%
of Full Scale |
|
|
|
|
| |
Hysteresis |
|
< 0.03%
of Full Scale |
|
|
|
|
| |
Repeatability |
|
< 0.02%
of Full Scale |
|
|
|
|
| |
Temperature
effect on Output |
|
<
15PPM / °C of Applied Load |
|
|
|
|
| |
Temperature
effect on zero |
|
<
26PPM / °C of Applied Load |
|
|
|
|
| |
Operating
temperature range |
|
- 20°C to
60°C |
|
|
|
|
| |
Compensated
temperature range |
|
- 10°C to
50°C |
|
|
|
|
| |
Safe
Overload |
|
1.5 x Capacity |
|
|
|
|
| |
Input
Impedance |
|
700 ±
20Ohms |
|
|
|
|
| |
Output
Impedance |
|
705 ±
5Ohms |
|
|
|
|
| |
Insulation
Resistant |
|
> 2,000
Meg - Ohms |
|
|
|
|
| |
Recommended
Excitation |
|
10 V DC/AC |
|
|
|
|
| |
Maximum
Excitation |
|
15 V DC/AC |
|
|
|
|
| |
Cable
Length |
|
20m |
|
|
|
|
| |
Environment
Protection |
|
IP 68 |
|
| |
|
| |
Cable
Color Code |
| |
|
| |
|
|
|
| |
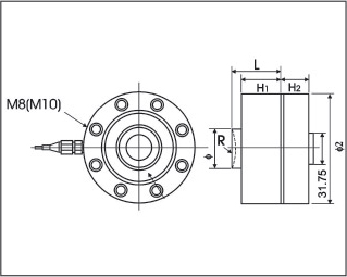
M
- 120 Series
Stainless Steel
Compression Load Cells |
| |
|
| |
Dimension: |
|
|
|
| |
|
| |
|
| |
Load
Cell Specification: |
| |
|
| |
| |
Model |
|
M120 |
|
M120-A |
|
|
|
|
|
|
| |
Capacity |
|
20t
/ 30t |
|
30t |
|
|
|
|
|
|
| |
Sensitivity
MV/V |
|
1.5
± 0.1% |
|
2.2
± 0.1% |
|
|
|
|
|
|
| |
Zero
Balance |
|
< 2% of
Full Scale |
|
|
|
|
| |
Creep
(1 hour) |
|
< 0.03%
of Full Scale |
|
|
|
|
| |
Non-linearity |
|
< 0.03%
of Full Scale |
|
|
| |
Hysteresis |
|
< 0.03%
of Full Scale |
|
|
|
|
| |
Repeatability |
|
< 0.02%
of Full Scale |
|
|
|
|
| |
Temperature
effect on Output |
|
<
20PPM / °C of Applied Load |
|
|
|
|
| |
Temperature
effect on zero |
|
<
20PPM / °C of Applied Load |
|
|
|
|
| |
Operating
temperature range |
|
- 20°C to
60°C |
|
|
|
|
| |
Compensated
temperature range |
|
- 10°C to
50°C |
|
|
|
|
| |
Safe
Overload |
|
1.5 x Capacity |
|
|
|
|
| |
Input
Impedance |
|
670 ±
10Ohms |
|
|
|
|
| |
Output
Impedance |
|
600 ±
5Ohms |
|
|
|
|
| |
Insulation
Resistant |
|
> 2,000
Meg - Ohms |
|
|
|
|
| |
Recommended
Excitation |
|
10 V DC/AC |
|
|
|
|
| |
Maximum
Excitation |
|
15 V DC/AC |
|
|
|
|
| |
Cable
Length |
|
20m |
|
|
|
|
| |
Environment
Protection |
|
IP 68 |
|
| |
|
| |
Cable
Color Code |
| |
|
| |
|
|
|
| |
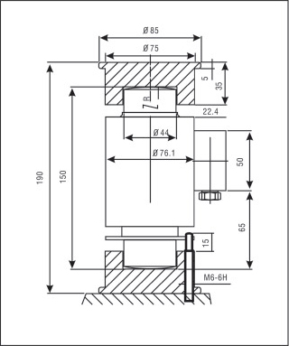
MP
- 200 Series
Stainless Steel
Compression Load Cells |
| |
|
| |
Dimension: |
|
|
| |
Rate
Load |
Size:
mm |
Lb |
A |
B |
C |
D |
E |
F |
G |
Inch |
Mm |
DP |
50K |
73 |
82.6 |
32.5 |
152 |
64 |
10 |
31.8 |
½-20 |
M12x1.75 |
10 |
100K |
105 |
127 |
152 |
152 |
86 |
12 |
59 |
¼-16 |
M18x1.5 |
14 |
|
|
| |
|
| |
|
| |
Load
Cell Specification: |
| |
|
| |
| |
Model |
|
MP
200 |
|
MP
120-L |
|
|
|
|
|
|
| |
Capacity |
|
50klb,
100klb |
|
50klb |
|
|
|
|
|
|
| |
Sensitivity
MV/V |
|
1.75
± 0.01 |
|
2.00±
0.01 |
|
|
|
|
|
|
| |
Zero
Balance |
|
< 2% of
Full Scale |
|
|
|
|
| |
Creep
(1 hour) |
|
< 0.03%
of Full Scale |
|
|
|
|
| |
Non-linearity |
|
< 0.03%
of Full Scale |
|
|
| |
Hysteresis |
|
< 0.03%
of Full Scale |
|
|
|
|
| |
Repeatability |
|
< 0.02%
of Full Scale |
|
|
|
|
| |
Temperature
effect on Output |
|
<
20PPM / °C of Applied Load |
|
|
|
|
| |
Temperature
effect on zero |
|
<
20PPM / °C of Applied Load |
|
|
|
|
| |
Operating
temperature range |
|
- 20°C to
60°C |
|
|
|
|
| |
Compensated
temperature range |
|
- 10°C to
50°C |
|
|
|
|
| |
Safe
Overload |
|
1.5 x Capacity |
|
|
|
|
| |
Input
Impedance |
|
450 ±
5Ohms |
|
|
|
|
| |
Output
Impedance |
|
480 ±
5Ohms |
|
|
|
|
| |
Insulation
Resistant |
|
> 2,000
Meg - Ohms |
|
|
|
|
| |
Recommended
Excitation |
|
10 V DC/AC |
|
|
|
|
| |
Maximum
Excitation |
|
15 V DC/AC |
|
|
|
|
| |
Cable
Length |
|
20m |
|
|
|
|
| |
Environment
Protection |
|
IP 68 |
|
| |
|
| |
Cable
Color Code |
| |
|
| |
|
|
|
| |
MPC
Series
Stainless Steel
Compression Load Cells |
| |
|
| |
Dimension: |
|
|
|
| |
|
| |
|
| |
Load
Cell Specification: |
| |
|
| |
| |
Model |
|
MPC |
|
Multi-Ranges |
|
|
|
|
|
|
| |
Capacity |
|
30t
/ 45t |
|
30t
/ 45t |
|
|
|
|
|
|
| |
Sensitivity
MV/V |
|
2±
0.1% |
|
1.8±
0.1% |
|
|
|
|
|
|
| |
Zero
Balance |
|
< 2% of
Full Scale |
|
|
|
|
| |
Creep
(1 hour) |
|
< 0.02%
of Full Scale |
|
|
|
|
| |
Non-linearity |
|
< 0.02%
of Full Scale |
|
|
| |
Hysteresis |
|
< 0.03%
of Full Scale |
|
|
|
|
| |
Repeatability |
|
< 0.02%
of Full Scale |
|
|
|
|
| |
Temperature
effect on Output |
|
<
20PPM / °C of Applied Load |
|
|
|
|
| |
Temperature
effect on zero |
|
<
20PPM / °C of Applied Load |
|
|
|
|
| |
Operating
temperature range |
|
- 20°C to
60°C |
|
|
|
|
| |
Compensated
temperature range |
|
- 10°C to
50°C |
|
|
|
|
| |
Safe
Overload |
|
1.5 x Capacity |
|
|
|
|
| |
Input
Impedance |
|
750 ±
10Ohms |
|
|
|
|
| |
Output
Impedance |
|
700 ±
5Ohms |
|
|
|
|
| |
Insulation
Resistant |
|
> 5,000
Meg - Ohms |
|
|
|
|
| |
Recommended
Excitation |
|
10 V DC/AC |
|
|
|
|
| |
Maximum
Excitation |
|
15 V DC/AC |
|
|
|
|
| |
Cable
Length |
|
20m |
|
|
|
|
| |
Environment
Protection |
|
IP 68 |
|
| |
|
| |
Cable
Color Code |
| |
|
| |
|
|
|
| |
MFG
Series
Tool Steel
Bridge Load Cells |
| |
|
| |
Dimension: |
|
|
|
| |
|
| |
|
| |
Load
Cell Specification: |
| |
|
| |
| |
Model |
|
MFG |
|
|
|
|
| |
Capacity |
|
251 / 301 |
|
|
|
|
| |
Sensitivity
MV/V |
|
2 ±
0.01% |
|
|
|
|
| |
Zero
Balance |
|
< 2% of
Full Scale |
|
|
|
|
| |
Creep
(1 hour) |
|
< 0.03%
of Full Scale |
|
|
|
|
| |
Non-linearity |
|
< 0.02%
of Full Scale |
|
|
|
|
| |
Hysteresis |
|
< 0.03%
of Full Scale |
|
|
|
|
| |
Repeatability |
|
< 0.02%
of Full Scale |
|
|
|
|
| |
Temperature
effect on Output |
|
<
20PPM / °C of Applied Load |
|
|
|
|
| |
Temperature
effect on zero |
|
<
20PPM / °C of Applied Load |
|
|
|
|
| |
Operating
temperature range |
|
- 20°C to
60°C |
|
|
|
|
| |
Compensated
temperature range |
|
- 10°C to
50°C |
|
|
|
|
| |
Safe
Overload |
|
1.5 x Capacity |
|
|
|
|
| |
Input
Impedance |
|
770 ±
20Ohms |
|
|
|
|
| |
Output
Impedance |
|
700±
5Ohms |
|
|
|
|
| |
Insulation
Resistant |
|
> 5,000
Meg - Ohms |
|
|
|
|
| |
Recommended
Excitation |
|
10 V DC/AC |
|
|
|
|
| |
Maximum
Excitation |
|
15 V DC/AC |
|
|
|
|
| |
Cable
Length |
|
20m |
|
|
|
|
| |
Environment
Protection |
|
IP 67 |
|
| |
|
| |
Cable
Color Code |
| |
|
| |
|
|
|
| |
MPD
Series
High Grade Tool
Steel
Low Profile Disk Load Cells |
| |
|
| |
Dimension: |
|
|
| |
Rate
Load |
Size:
mm |
Lb |
Ø |
R |
L |
H1 |
H2 |
Ø2 |
25-50K |
41 |
22 |
54 |
47 |
24 |
121 |
100K |
51 |
22 |
57 |
51 |
29 |
140 |
|
|
| |
|
| |
|
| |
Load
Cell Specification: |
| |
|
| |
| |
Model |
|
MPD |
|
|
|
|
| |
Capacity |
|
25k, 50k,
100k lb |
|
|
|
|
| |
Sensitivity
MV/V |
|
4mV/V ±
0.01% |
|
|
|
|
| |
Zero
Balance |
|
< 2% of
Full Scale |
|
|
|
|
| |
Creep
(1 hour) |
|
< 0.03%
of Full Scale |
|
|
|
|
| |
Non-linearity |
|
< 0.03%
of Full Scale |
|
|
|
|
| |
Hysteresis |
|
< 0.03%
of Full Scale |
|
|
|
|
| |
Repeatability |
|
< 0.02%
of Full Scale |
|
|
|
|
| |
Temperature
effect on Output |
|
<
20PPM / °C of Applied Load |
|
|
|
|
| |
Temperature
effect on zero |
|
<
20PPM / °C of Applied Load |
|
|
|
|
| |
Operating
temperature range |
|
- 20°C to
60°C |
|
|
|
|
| |
Compensated
temperature range |
|
- 10°C to
50°C |
|
|
|
|
| |
Safe
Overload |
|
1.5 x Capacity |
|
|
|
|
| |
Input
Impedance |
|
400 ±
100Ohms |
|
|
|
|
| |
Output
Impedance |
|
350 ±
5Ohms |
|
|
|
|
| |
Insulation
Resistant |
|
> 5,000
Meg - Ohms |
|
|
|
|
| |
Recommended
Excitation |
|
10 V DC/AC |
|
|
|
|
| |
Maximum
Excitation |
|
15 V DC/AC |
|
|
|
|
| |
Cable
Length |
|
20m |
|
|
|
|
| |
Environment
Protection |
|
IP 67 |
|
| |
|
| |
Cable
Color Code |
| |
|
| |
|
|
|
| |
MBS
Series
Tool Steel
Single Ended Beam Load Cells |
| |
|
| |
Dimension: |
|
|
| |
Capacity |
A |
B |
D |
E |
L1 |
L2 |
L3 |
M |
250~4klb |
5.12 |
1.25 |
0.53 |
2.25 |
0.62 |
1.00 |
3.00 |
½-20UNF-2B |
10klb |
6.75 |
1.50 |
0.78 |
3.00 |
0.75 |
1.50 |
3.75 |
¾-16UNF-2B |
20klb |
8.88 |
2.00 |
1.03 |
4.00 |
1.00 |
2.00 |
4.88 |
1¼-12UNF-2B |
500kg~21 |
130 |
32 |
13 |
57 |
16 |
25 |
76 |
M 12 |
51 |
171 |
38 |
21 |
76 |
19 |
38 |
95 |
M20 |
101 |
226 |
51 |
25 |
102 |
25 |
51 |
124 |
M 24 X 2 |
|
|
| |
|
| |
|
| |
Load
Cell Specification: |
| |
|
| |
| |
Model |
|
MBS |
|
|
|
|
| |
Capacity |
|
250,
500, 1k, 2k, 4k, 10k, 20klb,
500, 1000, 2000, 5000, 10,000kg |
|
|
|
|
| |
Sensitivity
MV/V |
|
3 ±
0.01 |
|
|
|
|
| |
Zero
Balance |
|
< 2% of
Full Scale |
|
|
|
|
| |
Creep
(1 hour) |
|
< 0.03%
of Full Scale |
|
|
|
|
| |
Non-linearity |
|
< 0.03%
of Full Scale |
|
|
|
|
| |
Hysteresis |
|
< 0.03%
of Full Scale |
|
|
|
|
| |
Repeatability |
|
< 0.02%
of Full Scale |
|
|
|
|
| |
Temperature
effect on Output |
|
<
20PPM / °C of Applied Load |
|
|
|
|
| |
Temperature
effect on zero |
|
<
20PPM / °C of Applied Load |
|
|
|
|
| |
Operating
temperature range |
|
- 20°C to
60°C |
|
|
|
|
| |
Compensated
temperature range |
|
- 10°C to
50°C |
|
|
|
|
| |
Safe
Overload |
|
1.5 x Capacity |
|
|
|
|
| |
Input
Impedance |
|
400 ±
20Ohms |
|
|
|
|
| |
Output
Impedance |
|
350 ±
5Ohms |
|
|
|
|
| |
Insulation
Resistant |
|
> 2,000
Meg - Ohms |
|
|
|
|
| |
Recommended
Excitation |
|
10 V DC/AC |
|
|
|
|
| |
Maximum
Excitation |
|
15 V DC/AC |
|
|
|
|
| |
Cable
Length |
|
6 m |
|
|
|
|
| |
Environment
Protection |
|
IP 68 |
|
| |
|
| |
Cable
Color Code |
| |
|
| |
|
|
|
| |
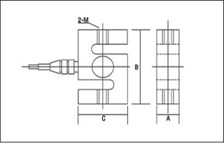
MTA/MTS
Series
Aluminium / Tool
Steel
S - Type Load Cells |
| |
|
| |
Dimension: |
|
|
| |
|
Rate
Load |
Size:
mm |
Whorl |
Lb |
Kg |
A |
B |
C |
Mm |
Inch |
|
MTA-50-250 |
20 |
76 |
51 |
M10 X 1.5 |
|
MTS-1K-3K |
500 - 2000 |
25.4 |
76 |
51 |
M12 X 1.5 |
½-20 |
5K
- 10K |
5000 |
25.4 |
108 |
76 |
M20 X 1.5 |
¾-16 |
20K |
10000 |
51 |
178 |
127 |
M30 X 3.5 |
1¼-12 |
|
|
| |
|
| |
|
| |
Load
Cell Specification: |
| |
|
| |
| |
Model |
|
MTA |
|
MTS |
|
|
|
|
|
|
| |
Capacity |
|
50, 100,
150, 250kg |
|
500lb, 1k,
2k, 3k, 5k, 10k, 20klb, 500,
1000, 2000, 5000, 10,000kg |
|
|
|
|
| |
Sensitivity
MV/V |
|
3 ±
0.01 |
|
|
|
|
| |
Zero
Balance |
|
< 2% of
Full Scale |
|
|
|
|
| |
Creep
(1 hour) |
|
< 0.03%
of Full Scale |
|
|
|
|
| |
Non-linearity |
|
< 0.03%
of Full Scale |
|
|
|
|
| |
Hysteresis |
|
< 0.02%
of Full Scale |
|
|
|
|
| |
Repeatability |
|
< 0.02%
of Full Scale |
|
|
|
|
| |
Temperature
effect on Output |
|
<
20PPM / °C of Applied Load |
|
|
|
|
| |
Temperature
effect on zero |
|
<
20PPM / °C of Applied Load |
|
|
|
|
| |
Operating
temperature range |
|
- 20°C to
60°C |
|
|
|
|
| |
Compensated
temperature range |
|
- 10°C to
50°C |
|
|
|
|
| |
Safe
Overload |
|
1.5 x Capacity |
|
|
|
|
| |
Input
Impedance |
|
400 ±
10Ohms |
|
|
|
|
| |
Output
Impedance |
|
350 ±
5Ohms |
|
|
|
|
| |
Insulation
Resistant |
|
> 2,000
Meg - Ohms |
|
|
|
|
| |
Recommended
Excitation |
|
10 V DC/AC |
|
|
|
|
| |
Maximum
Excitation |
|
15 V DC/AC |
|
|
|
|
| |
Cable
Length |
|
6 m |
|
|
|
|
| |
Environment
Protection |
|
IP 67 |
|
| |
|
| |
Cable
Color Code |
| |
|
| |
|
|
|
| |
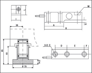
MSM
Series
Aluminium
Single - Point Load Cells |
| |
|
| |
Dimension: |
|
|
|
| |
|
| |
|
| |
Load
Cell Specification: |
| |
|
| |
| |
Model |
|
MSM |
|
|
|
|
| |
Capacity |
|
60,
100, 150, 200, 250, 300, 500kg |
|
|
|
|
| |
Sensitivity
MV/V |
|
2 ±
0.01 |
|
|
|
|
| |
Zero
Balance |
|
< 2% of
Full Scale |
|
|
|
|
| |
Creep
(1 hour) |
|
< 0.03%
of Full Scale |
|
|
|
|
| |
Non-linearity |
|
< 0.03%
of Full Scale |
|
|
|
|
| |
Hysteresis |
|
< 0.03%
of Full Scale |
|
|
|
|
| |
Repeatability |
|
< 0.02%
of Full Scale |
|
|
|
|
| |
Temperature
effect on Output |
|
<
20PPM / °C of Applied Load |
|
|
|
|
| |
Temperature
effect on zero |
|
<
20PPM / °C of Applied Load |
|
|
|
|
| |
Operating
temperature range |
|
- 20°C to
60°C |
|
|
|
|
| |
Compensated
temperature range |
|
- 10°C to
50°C |
|
|
|
|
| |
Safe
Overload |
|
1.5 x Capacity |
|
|
|
|
| |
Input
Impedance |
|
400 ±
20Ohms |
|
|
|
|
| |
Output
Impedance |
|
350 ±
5Ohms |
|
|
|
|
| |
Insulation
Resistant |
|
> 2,000
Meg - Ohms |
|
|
|
|
| |
Recommended
Excitation |
|
10 V DC/AC |
|
|
|
|
| |
Maximum
Excitation |
|
15 V DC/AC |
|
|
|
|
| |
Cable
Length |
|
6 m |
|
|
|
|
| |
Environment
Protection |
|
IP 67 |
|
| |
|
| |
Cable
Color Code |
| |
|
| |
|
|
|
| |
MSB
Series
Aluminium
Single - Point Load Cells |
| |
|
| |
Dimension: |
|
|
|
| |
|
| |
|
| |
Load
Cell Specification: |
| |
|
| |
| |
Model |
|
MSB |
|
|
|
|
| |
Capacity |
|
300,
635, 1000kg |
|
|
|
|
| |
Sensitivity
MV/V |
|
2 ±
0.01 |
|
|
|
|
| |
Zero
Balance |
|
< 2% of
Full Scale |
|
|
|
|
| |
Creep
(1 hour) |
|
< 0.03%
of Full Scale |
|
|
|
|
| |
Non-linearity |
|
< 0.02%
of Full Scale |
|
|
|
|
| |
Hysteresis |
|
< 0.02%
of Full Scale |
|
|
|
|
| |
Repeatability |
|
< 0.02%
of Full Scale |
|
|
|
|
| |
Temperature
effect on Output |
|
<
20PPM / °C of Applied Load |
|
|
|
|
| |
Temperature
effect on zero |
|
<
20PPM / °C of Applied Load |
|
|
|
|
| |
Operating
temperature range |
|
- 20°C to
60°C |
|
|
|
|
| |
Compensated
temperature range |
|
- 10°C to
50°C |
|
|
|
|
| |
Safe
Overload |
|
1.5 x Capacity |
|
|
|
|
| |
Input
Impedance |
|
400 ±
10Ohms |
|
|
|
|
| |
Output
Impedance |
|
350 ±
3Ohms |
|
|
|
|
| |
Insulation
Resistant |
|
> 2,000
Meg - Ohms |
|
|
|
|
| |
Recommended
Excitation |
|
10 V DC/AC |
|
|
|
|
| |
Maximum
Excitation |
|
15 V DC/AC |
|
|
|
|
| |
Cable
Length |
|
6 m |
|
|
|
|
| |
Environment
Protection |
|
IP 67 |
|
| |
|
| |
Cable
Color Code |
| |
|
| |
|
|
|
| |
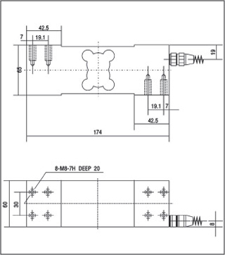
MSP/MSA-2/MSA-3
Series
Aluminium
Single - Point Load Cells |
| |
|
| |
Dimension: |
|
|
|
| |
|
| |
|
| |
Load
Cell Specification: |
| |
|
| |
| |
Model |
|
MSP |
|
MSA-2 |
|
MSA-2 |
|
|
|
|
|
|
|
|
| |
Capacity |
|
6kg-50kg |
|
30kg,
50kg, 60kg, 100kg, 200kg |
|
50kg,
100kg, 200kg |
|
|
|
|
|
|
|
|
| |
Sensitivity
MV/V |
|
2
± 0.10 |
|
2
± 0.10 |
|
2
± 0.10 |
|
|
|
|
| |
Zero
Balance |
|
< 2% of
Full Scale |
|
|
|
|
| |
Creep
(1 hour) |
|
< 0.03%
of Full Scale |
|
|
|
|
| |
Non-linearity |
|
< 0.03%
of Full Scale |
|
|
|
|
| |
Hysteresis |
|
< 0.03%
of Full Scale |
|
|
|
|
| |
Repeatability |
|
< 0.02%
of Full Scale |
|
|
|
|
| |
Temperature
effect on Output |
|
<
20PPM / °C of Applied Load |
|
|
|
|
| |
Temperature
effect on zero |
|
<
20PPM / °C of Applied Load |
|
|
|
|
| |
Operating
temperature range |
|
- 20°C to
60°C |
|
|
|
|
| |
Compensated
temperature range |
|
- 10°C to
50°C |
|
|
|
|
| |
Safe
Overload |
|
1.5 x Capacity |
|
|
|
|
| |
Input
Impedance |
|
400 ±
10Ohms |
|
|
|
|
| |
Output
Impedance |
|
350 ±
3Ohms |
|
|
|
|
| |
Insulation
Resistant |
|
> 2,000
Meg - Ohms |
|
|
|
|
| |
Recommended
Excitation |
|
10 V DC/AC |
|
|
|
|
| |
Maximum
Excitation |
|
15 V DC/AC |
|
|
|
|
| |
Cable
Length |
|
|
|
|
|
|
| |
Environment
Protection |
|
IP 67 |
|
| |
|
| |
Cable
Color Code |
| |
|
| |
|
|
|
| |
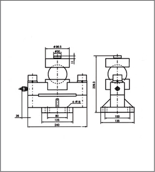
MXL
Series
Tool Steel
Cantilever Beam Load Cells |
| |
|
| |
Dimension: |
|
|
| |
Rated
Load |
Size:
mm |
Rated |
A |
B |
C |
D |
E |
F |
G |
I |
L |
M |
20t |
153 |
318 |
34 |
89 |
159 |
38 |
12.5 |
70 |
82.5 |
M18X1.5 |
|
|
| |
|
| |
|
| |
Load
Cell Specification: |
| |
|
| |
| |
Model |
|
MXL |
|
|
|
|
| |
Capacity |
|
20t |
|
|
|
|
| |
Sensitivity
MV/V |
|
2 ±
0.01 |
|
|
|
|
| |
Zero
Balance |
|
< 2% of
Full Scale |
|
|
|
|
| |
Creep
(1 hour) |
|
< 0.03%
of Full Scale |
|
|
|
|
| |
Non-linearity |
|
< 0.03%
of Full Scale |
|
|
|
|
| |
Hysteresis |
|
< 0.03%
of Full Scale |
|
|
|
|
| |
Repeatability |
|
< 0.02%
of Full Scale |
|
|
|
|
| |
Temperature
effect on Output |
|
<
20PPM / °C of Applied Load |
|
|
|
|
| |
Temperature
effect on zero |
|
<
20PPM / °C of Applied Load |
|
|
|
|
| |
Operating
temperature range |
|
- 20°C to
60°C |
|
|
|
|
| |
Compensated
temperature range |
|
- 10°C to
50°C |
|
|
|
|
| |
Safe
Overload |
|
1.5 x Capacity |
|
|
|
|
| |
Input
Impedance |
|
400 ±
10Ohms |
|
|
|
|
| |
Output
Impedance |
|
350 ±
3Ohms |
|
|
|
|
| |
Insulation
Resistant |
|
> 2,000
Meg - Ohms |
|
|
|
|
| |
Recommended
Excitation |
|
10 V DC/AC |
|
|
|
|
| |
Maximum
Excitation |
|
15 V DC/AC |
|
|
|
|
| |
Cable
Length |
|
20 m |
|
|
|
|
| |
Environment
Protection |
|
IP 67 |
|
| |
|
| |
Cable
Color Code |
| |
|
| |
|
|
|
|
|
|